传统内燃机车辆与混合动力电动汽车(HEV)或电动汽车(EVS)是多个电池和电压水平的存在。内燃机由单一的12伏或24伏电池工作,这是一种典型的铅酸电池.但混合动力汽车和电动汽车使用的二次高压电池,从48伏的HEV到更高的电压-400 V到800 V的电动汽车。
多个电压电平的存在需要隔离以保护低压电路不受高压的影响。虽然这似乎很明显,你需要隔离400伏电池和更多,你需要隔离在48-V温和混合系统?今天让小编带大家一起来看看吧。
一、48 V混合动力汽车的隔离
即使电压不是400 V或800 V,隔离对于48 V混合动力汽车来说也有几个重要的原因,包括提高抗噪声能力和故障保护。
图1显示了起动发电机系统其中功率级,包括H桥和场效应晶体管(FET),是在48-V侧.这些场效应管的开关会引起电压瞬变(dV/dt),从而在48伏的地面上产生一些共模噪声。在没有隔离的情况下,这种噪声将与12-V侧耦合,影响低压侧电路的信号完整性。通过在双方之间添加隔离,如图1所示,您可以提高共模瞬态免疫和信号完整性。

图1:48 V混合动力汽车的起动机/发电机子系统
在图2中,一个48 V的电池堆栈和微控制器(MCU)在.电池管理系统位于高压侧,而mcu与电子控制单元使用控制器局域网(CAN)协议。如果48-V侧出现故障,则12伏侧可能出现电压.低压侧的电路元件(在这种情况下是CAN收发器)可能无法承受高压并可能损坏。在低压侧的CAN收发信机和高压侧的微控制器之间设置
隔离器,即使高压侧有故障,也能确保低压电路的安全。
汽车电气和电子元器件Verband der AutomobilIndustry 320(VDA 320)标准规定了一种故障电流测试(E48-20),测试电压通过48-V/12-V阻挡层,12-V和48-V系统之间的预期电流必须小于1。隔离器的存在确保电流符合标准。
图2:48-V BMS框图
如果您正在设计48-V混合动力汽车系统,并寻找与48-V侧接口的隔离装置,根据接口标准,在48-V侧和12-V侧之间有几种通信选择。
对于需要串行外设接口(SPI)的设计,通用异步接收发射机(UART)或12-v和48-v之间的通用输入/输出(GPIO)通信,您可以使用
数字隔离器,如ISO 7741-Q1或ISO 7721-Q1,这取决于您需要的隔离通道的数量。
当你用我2C通讯保存信号跟踪数,隔离I。2C设备,例如ISO 1540-Q1(双向数据、双向时钟)或ISO 1541-Q1(双向数据、单向时钟)将起作用。
如果双方之间存在着can通信,并且需要隔离,您可以添加一个像iso 7721-q1这样的
数字隔离器与can收发信机串联使用,或者使用集成的隔离的can设备,例如ISO 1042-Q1为了节省一些空间。
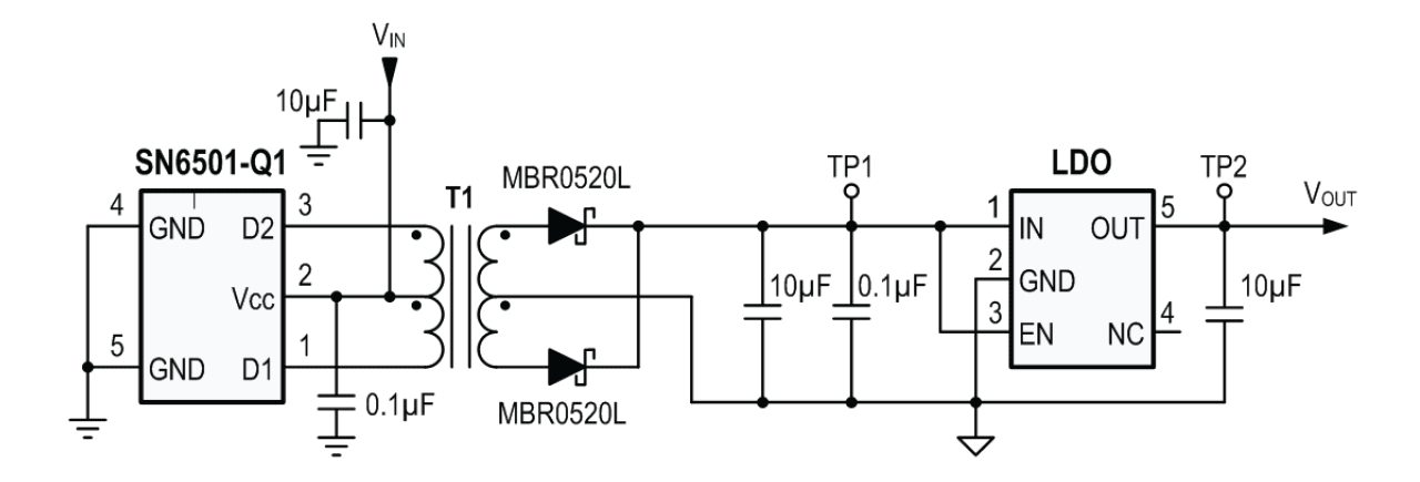
数据通信只是解决方案的一部分。你还必须隔离双方之间的电源,你可以实现反飞,飞巴克或推挽拓扑。对于本地化电源(例如,隔离的CAN收发器的电源),请考虑变压器驱动程序,如SN6501-Q1, SN6505A-Q1或SN6505B-Q1,它可以与外部变压器、整流器和低损耗调节器一起使用,以产生一个简单的隔离电源,如图3所示。
图3:有调节输出的隔离电源的简单电路
SN6501-Q1、SN6505A-Q1或SN6505B-Q1的主要区别在于每个驱动器的输出电流、是否存在减少发射的扩频和不同的开关频率。这些选项使您能够选择合适的设备来满足系统的排放标准和电源要求。
虽然我已经在48-V混合动力汽车的背景下讨论了这些解决方案,但这些设备系列的隔离规格和更广泛的封装选择使这些系列产品也适用于电池电压较高的电动汽车。可以在电动汽车设计中重复使用HEV子系统中的隔离部分,这可以节省您的设计和布局时间。